Costo del Kit KAIROS ERREKA BÁSICO USO INTENSIVO PARA FRACCIONAMIENTOS

Sistema KAIROS de automatización para

portones de Fraccionamientos en Cuautla

Motores KAIROS para AUTOMATIZAR FRACCIONAMIENTOS en Cuautla, Morelos

Venta e Instalación de motores electromecánicos KAIROS - ERREKA para automatizar su

fraccionamiento o condominio

Automatizamos su portón o puerta de fraccionamiento o condominio
INSTALACIONES Existencia de equipos por lo que la instalación es casi inmediata. Se requiere contar con instalación eléctrica a 127 volts. Centro de carga con pastilla de 15 amp.
Únicos con Garantía Extendida!!!
Porque nuestros equipos son de alta confiabilidad te ofrecemos una garantía por 18 MESES a partir de la fecha de instalación.
Informes y ventas 735 542 8435
INFORMES Y COTIZACIONES Mismo día en que nos la solicite, llame al móvil 735 542 8435 Si suena ocupado o no le contestan envíe WhatsApp.
Informes y ventas:
735 542 8435
Puertas Automáticas KÓNDOR
Tlayacapan
Oacalco
Cuautla
Oaxtepec
Lomas de Cocoyoc
Ayala
Yecapixtla
Tepoztlán
Yautepec
Motores para automatizar portones abatibles en FRACCIONAMIENTOS
FORMA DE PAGO Solicite su instalación. Visita técnica del instalador y firma del contrato del servicio. 50% del costo como compromiso de compra.
Atlatlahucan
Frac. Praderas de Oaxtepec
Frac. Valle del Pedregal
Frac. Paraíso Tlahuica
Frac. Real de Oaxtepec
Frac. Vergeles de Oaxtepec

Motores KAIROS electromecánicos adecuados para la automatización de portones abatibles de 2 hojas.

Pueden abrir hacia adentro o hacia afuera. Hasta 5 m de ancho y 500 kg de peso por las 2 hojas

Especificaciones Técnicas: Alimentación interna a 24 Vdc Toma de corriente a 127 Vca Potencia de 144 W. Fuerza Máxima de 3000 N. equivalente a 0.5 HP Velocidad promedio de 25.5 mm/s. Abre en 15 segundos (es muy rápido) Carrera del émbolo es de 506 mm (estándar de la gama). Uso residencial o Intensivo en fraccionamientos Final de Carrera electromecánico Uso de hasta 30 ciclos por hora (intensivo) Tarjeta Electrónica de última generación con programación 100% digital Tarjeta de memoria de radiofrecuencia con capacidad hasta 500 controles remotos Admite controles remotos LIRA E IRIS. Los dos son de código rolante Puede abrir y cerrar las 2 hojas o puede abrir y cerrar solo una hoja. Los dos parámetros funcionan a la vez Se puede programar cierre automático de las puertas de acuerdo al tiempo de espera que se considere conveniente Cuenta con llaves de desbloqueo para los brazos en caso de que así lo requiera Se recomienda incorporarle accesorios como: chapa de seguridad a piso, fotoceldas, luz estroboscópica. Cuentan con paro suave (se frenan antes de llegar al tope de apertura y cierre)
KIT BÁSICO KAIROS 2 HOJAS - ERREKA PARA FRACCIONAMIENTOS CONSTA DE: 1 Tarjeta de Control modelo SMART D201M con gabinete especial para estar a la intemperie 1 Receptor de señales de radiofrecuencia integrada en la Tarjeta de Control 2 pistones con motor de 3000 N con llaves de desbloqueo 2 Controles remotos modelo IRIS 2 baterías de 12 Vcd armadas en serie suministran 24 Vcd Herrajes para la instalación 12 m de cable uso rudo 2x16 de cobre al 100% Instalación con cableado aparente 18 meses de garantía contra defectos de fábrica
CHAPA ELECTRÓNICA DE SEGURIDAD A PISO - 24 VOLTS. MARCA POWERTECH $ 2,500.00 Diseño compacto: Esta cerradura eléctrica para pistones tiene un diseño pequeño y discreto que la hace ideal para puertas y entradas estrechas. Instalación sencilla: Se incluye una placa de montaje que facilita la instalación de la cerradura en la superficie deseada. Funcionamiento silencioso: El mecanismo interno de la cerradura opera de forma silenciosa para no molestar. Durable: Fabricada con materiales resistentes para un uso prolongado. Funciona de manera óptima con el kit de automatismo KAIROS - ERREKA Se puede utilizar en puertas con apertura hacia afuera o hacia adentro. Al dar click en el control remoto el seguro vertical de la chapa se contrae y permite que la puerta inicie el movimiento de apertura. Cuenta con 2 llaves para poder desbloquear el mecanismoi.
LUZ ESTROBOSCÓPICA DE SEÑALIZACIÓN - MARCA GENÉRICA $ 600.00 Lámpara destellante para puertas de garaje. Ventajas: Fijación de superficie horizontal o vertical. Posibilidad de luz fija o luz parpadeante. Dos posibilidades de carcasa blanca y amarilla. Posibilidad de fijación en pared. Leds blanco de bajo consumo. La lámpara destellante LUMI se utiliza para advertir del movimiento de las hojas en instalaciones de puertas motorizadas. Dimensiones: 90x126mm. Alimentación multi tensión 12-24Ac/dc Función de intermitencia incorporada, 1 segundo de intervalo.
FOTOCELDAS DE SEGURIDAD - MARCA GENÉRICA $ 1300.00 Las fotocélulas FT06 están diseñadas para detectar obstáculos en instalaciones de puertas y portones automáticos, evitando que se produzca la colisión con la puerta Se componen de un módulo emisor (TX) y un módulo receptor (RX) de rayos infrarrojos Si una persona u objeto interrumpe con su presencia el rayo de luz emitido por el emisor (TX) (o bien, el rayo no llega al receptor por avería o desajuste), elreceptor (RX) activa el relé correspondiente, informando al cuadro de maniobra de la instalación
ADMINISTRADOR DE CONTROLES REMOTOS IRPROGM - MARCA ERREKA $ 2,000.00 Dispositivo portátil de programación que permite programar memorias y emisores roller code y habilitar rápidamente a un nuevo usuario. Todo ello gracias a la posibilidad de generar automáticamente una serie de códigos correlativos y descargarlos al receptor. Características técnicas Alimentación Alkaline 9V. Posibilidad de programar memorias y emisores roller code. Permite cambiar / visualizar y programar el código asignado. Permite clonar memorias. Permite borrar / bloquear y reponer emisores. Permite dejar memorias y emisores con codificación de fábrica.
BOTÓN PULSADOR TIPO INDUSTRIAL - MARCA GENÉRICA $600.00 Un botón pulsador es un componente eléctrico que permite o interrumpe el flujo de corriente eléctrica al ser presionado, volviendo a su estado original al soltarlo. Se usa comúnmente para acciones momentáneas como iniciar (marcha), detener (paro) o activar dispositivos industriales y domésticos . En fraccionamientos se puede colocar dentro de la caseta de vigilancia desde donde el vigilante lo podrá pulsar para operar la puerta Se puede colocar también en algún lugar estratégico cerca de la entrada peatonal al fraccionamiento con el objeto de que los condominos puedan acceder al mismo y pulsarlo para poder entrar con su auto. Al estar conectado a la Tarjeta de Control permite que las puertas cierren de manera automática de acuerdo con el tiempo programado.
$16,000.00
Tarjeta de Control Smart D201M
2 pistones con motor a 24 Vcd
2 controles remotos modelo IRIS
2 baterías de 12 Vcd
Equipo periférico opcional que se aconseja instalar en la automatización de puertas de Fraccionamientos
COMPONENTES DEL KIT BÁSICO KAIROS
KIT 2 BRAZOS
Durante Abril y Mayo ---- reciba 1 Control Remoto adicional gratis!!!
Costo del Kit KAIROS ERREKA BÁSICO
CHAPA ELECTRÓNICA DE SEGURIDAD A PISO - 24 VOLTS. MARCA POWERTECH - $2,500.00 Diseño compacto: Esta cerradura eléctrica para pistones tiene un diseño pequeño y discreto que la hace ideal para puertas y entradas estrechas. Instalación sencilla: Se incluye una placa de montaje que facilita la instalación de la cerradura en la superficie deseada. Funcionamiento silencioso: El mecanismo interno de la cerradura opera de forma silenciosa para no molestar. Durable: Fabricada con materiales resistentes para un uso prolongado. Funciona de manera óptima con el kit de automatismo KAIROS - ERREKA Se puede utilizar en puertas con apertura hacia afuera o hacia adentro. Al dar click en el control remoto el seguro vertical de la chapa se contrae y permite que la puerta inicie el movimiento de apertura. Cuenta con 2 llaves para poder desbloquear el mecanismo.
LUZ ESTROBOSCÓPICA DE SEÑALIZACIÓN - MARCA GENÉRICA - $600.00 Lámpara destellante para puertas de garaje. Ventajas: Fijación de superficie horizontal o vertical. Posibilidad de luz fija o luz parpadeante. Dos posibilidades de carcasa blanca y amarilla. Posibilidad de fijación en pared. Leds blanco de bajo consumo. La lámpara destellante LUMI se utiliza para advertir del movimiento de las hojas en instalaciones de puertas motorizadas. Dimensiones: ø90x126mm. Alimentación multi tensión 12-24Ac/dc Función de intermitencia incorporada, 1 segundo de intervalo.
FOTOCELDAS DE SEGURIDAD - MARCA GENÉRICA $1,300.00 Las fotocélulas FT06 están diseñadas para detectar obstáculos en instalaciones de puertas y portones automáticos, evitando que se produzca la colisión con la puerta. Se componen de un módulo emisor (TX) y un módulo receptor (RX) de rayos infrarrojos. Si una persona u objeto interrumpe con su presencia el rayo de luz emitido por el emisor (TX) (o bien, el rayo no llega al receptor por avería o desajuste), elreceptor (RX) activa el relé correspondiente, informando al cuadro de maniobra de la instalación
ADMINISTRADOR DE CONTROLES REMOTOS IRPROGM MARCA ERREKA - $2,000.00 Dispositivo portátil de programación que permite programar memorias y emisores roller code y habilitar rápidamente a un nuevo usuario. Todo ello gracias a la posibilidad de generar automáticamente una serie de códigos correlativos y descargarlos al receptor. Características técnicas Alimentación Alkaline 9V. Posibilidad de programar memorias y emisores roller code. Permite cambiar / visualizar y programar el código asignado. Permite clonar memorias. Permite borrar / bloquear y reponer emisores. Permite dejar memorias y emisores con codificación de fábrica.
BOTÓN PULSADOR TIPO INDUSTRIAL - MARCA GENÉRICA - $600.00 Un botón Un botón pulsador es un componente eléctrico que permite o interrumpe el flujo de corriente eléctrica al ser presionado, volviendo a su estado original al soltarlo. Se usa comúnmente para acciones momentáneas como iniciar (marcha), detener (paro) o activar dispositivos industriales y domésticos se puede colocar dentro de la caseta de vigilancia de los fraccionamientos desde donde el vigilante lo podrá pulsar para operar la puerta Se puede colocar también en algún lugar estratégico cerca de la entrada peatonal al fraccionamiento con el objeto de que los condominos puedan acceder al mismo y pulsarlo para poder entrar con su auto. Al estar conectado a la Tarjeta de Control permite que las puertas cierren de manera automática de acuerdo con el tiempo programado.
KIT BÁSICO KAIROS 2 HOJAS - ERREKA PARA FRACCIONAMIENTOS CONSTA DE: 1 Tarjeta de Control modelo SMART D201M con gabinete especial para estar a la intemperie 1 Receptor de señales de radiofrecuencia integrada en la Tarjeta de Control 2 pistones con motor de 3000 N con llaves de desbloqueo 2 Controles remotos modelo LIRA 2 baterías de 12 Vcd armadas en serie suministran 24 Vcd Herrajes para la instalación 12 m de cable uso rudo 2x16 de cobre al 100% Instalación con cableado aparente 18 meses de garantía contra defectos de fábrica
Tarjeta de Control Smart D201M
2 pistones con motor a 24 Vcd
2 controles remotos modelo IRIS
2 baterías de 12 Vcd
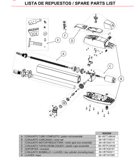
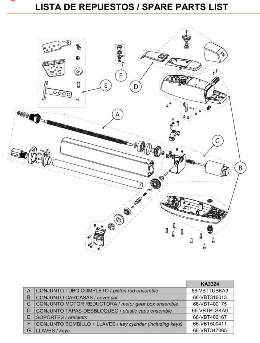
ERREKA cuenta con refacciones de todos sus equipos KAIROS
Imágen de un equipo KAIROS de 2 brazos con todos sus accesorios
Equipo periférico que se aconseja instalar en la automatización de puertas de Fraccionamientos

Motores para AUTOMATIZAR FRACCIONAMIENTOS

CLUSTER - CONDOMINIOS - PRIVADAS

Informes y ventas:
735 542 8435
Puertas Automáticas KÓNDOR
Durante Abril y Mayo reciba 1 Control Remoto adicional gratis!!!
INCLUYE:

Sistemas de automatización para

portones de Fraccionamientos - Cuautla

Venta e Instalación de motores

electromecánicos KAIROS - ERREKA para

automatizar su fraccionamiento o condominio

Automatizamos su portón o puerta de fraccionamiento o condominio en:
Informes y ventas 735 542 8435
Tlayacapan
Oacalco
Cuautla
Oaxtepec
Lomas de Cocoyoc
Ayala
Yecapixtla
Tepoztlán
Yautepec
Atlatlahucan
Frac. Praderas de Oaxtepec
Frac. Valle del Pedregal
Frac. Paraíso Tlahuica
Frac. Real de Oaxtepec
Frac. Vergeles de Oaxtepec
Especificaciones Técnicas: Alimentación interna a 24 Vdc Toma de corriente a 127 Vca Potencia de 144 W. Fuerza Máxima de 3000 N. equivalente a 0.5 HP Velocidad promedio de 25.5 mm/s. Abre en 15 segundos (es muy rápido) Carrera del émbolo es de 506 mm (estándar de la gama). Uso residencial o Intensivo en fraccionamientos Final de Carrera electromecánico Uso de hasta 30 ciclos por hora (intensivo) Tarjeta Electrónica de última generación con programación 100% digital Tarjeta de memoria de radiofrecuencia con capacidad hasta 500 controles remotos Admite controles remotos LIRA E IRIS. Los dos son de código rolante Puede abrir y cerrar las 2 hojas o puede abrir y cerrar solo una hoja. Los dos parámetros funcionan a la vez Se puede programar cierre automático de las puertas de acuerdo al tiempo de espera que se considere conveniente Cuenta con llaves de desbloqueo para los brazos en caso de que así lo requiera Se recomienda incorporarle accesorios como: chapa de seguridad a piso, fotoceldas, luz estroboscópica. Cuentan con paro suave (se frenan antes de llegar al tope de apertura y cierre)
$16,000.00
KIT 2 BRAZOS